立即搜索

低组装型滚珠直线导轨EG 系列型式

日期:05-03  点击:  属于:技术文章
低组装型滚珠直线导轨EG 系列型式
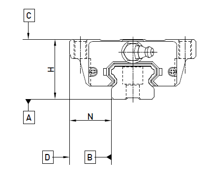
(1) 滑块型式
EG系列提供法兰型及四方型两种直线导轨。

(1) 滑块型式
EG系列提供法兰型及四方型两种直线导轨。
 
精度等级
EG系列直线导轨的精度,分为普通、高、精密、超精密、超高精密级共五级,客户可依设备精度

需求选用精度。

EG系列
低组装型滚珠线性滑轨
(2) 互换性直线导轨精度
 
 

微信扫描关注我们
工作时间: 周一至周五 9:00-18:00

联系人:金先生

手机:13926819578

电话:0755-23590836

邮件:sales@ycxs.net

地址:深圳市龙华区环观南路创客大厦1122(深圳办公室);工厂:东莞市清溪镇清樟路88号港影时尚产业园4A栋1001