微型
直线导轨MG系列的精度等级,预压力及防尘配备
精度等级
MGN及MGW系列小型导轨的精度,分为普通、高、精密级共三级,客户可依设备精度需求选用适合精度。

(1) 非互换性直线导轨精度
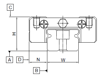
组合高度H量测是以滑块上部基准面中心位置为准,组合宽度N量测是以滑块侧边基准面中心位置为准。

(2) 互换性直线导轨精度
互换性直线导轨精度在滑块组装于单支导轨之成对高及宽度精度,同非互换性直线导轨精度,但若组装于不同支导轨上,因导轨高度误差,其成对高及宽度精度,比非互换性直线导轨精度稍微逊色,而行走平行度精度则同非互换性直线导轨之精度。

(3) 行走平行度精度
导轨C对A、D对B之行走平行度与导轨精度、长度有关,其值列于下表。

预压力
MGN/MGW 系列提供普通间隙、无预压、轻预压三种预压力。

防尘配备
标准防尘配备滑块两端装有刮油片,以阻隔粉尘或杂质进入滑块内部,而影响直线导轨寿命及精度。防尘片是装在滑块底部,以防止粉尘或杂质从滑块底部间隙进入滑块内部,客户若欲选用防尘片,可于型号后面加 +U 代码。规格5、7滑块至底部承靠面间隙 (H1) 很小,并不提供加装防尘片,然规格9、12与15有提供防尘片选用。客户在选用防尘片时,需注意滑块间隙 (H1) 变小,当有侧边承靠面使用时,侧边承靠面之高度,不可大于间隙值(H1),以避免滑块在运行时干涉到侧边承靠面。