微型直线导轨尺寸表
介绍及尺寸表对照
(1)MGN-C / MGN-H
在上银直线导轨MGN系列中,具有体积小、轻量化,特别适合小型化设备使用的原则。 滑块、滑轨材质提供不锈钢及一般钢两种。不锈钢材质之线性滑轨,包含滑块、滑轨及其它金属配件如钢珠、保持器等,皆使用不锈钢材质,具备防锈的特性。 采用哥德型四点接触设计,可承受各方向负荷,具备刚性强,精度高等特性。 有钢珠保持器设计,在精度允许下具备互换性。

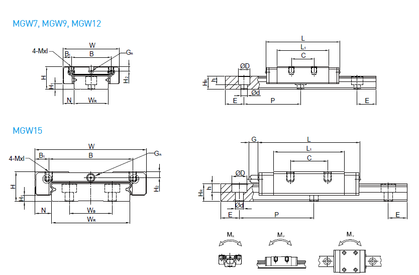
(2)MGW-C / MGW-H
而MGW(宽幅)系列则是加宽滑轨之设计大幅提升力矩负荷能力,可单轴使用。 哥德型四点接触设计,可承受各种方向之负荷并具有高刚性之特点。 滑块装有微小型保持钢丝,取下滑块钢珠也不会脱落。
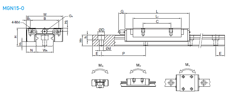
(3)MGN-C-O / MGN-H-O


在MGN-O中,它同样具体体积小、轻量化,滑块主体的一部分采用了树脂材料,重量减少约20%,特别适合小型化设备使用。不锈钢材质之线性滑轨,包含滑块、滑轨及其它金属配件如钢珠、保持器等,皆使用不锈钢材质,具备防锈的特性。采用哥德型四点接触设计,可承受各方向负荷,具备刚性强,精度高等特性。有钢珠保持器设计,在精度允许下具备互换性。
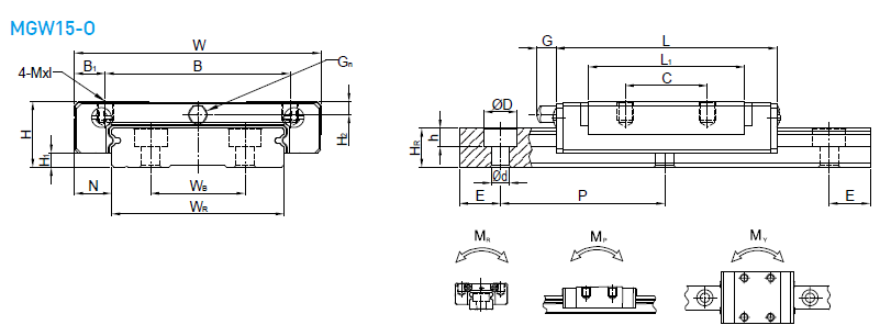
(4) MGW-C-O / MGW-H-O


MGW-O(宽幅)则在加宽滑轨之设计大幅提升力矩负荷能力,可单轴使用。模块化回流系统设计,采用树脂材料,重量减少约20%。哥德型四点接触设计,可承受各种方向之负荷并具有高刚性之特点。滑块装有微小型保持钢丝,取下滑块钢珠也不会脱落。
普遍应用于半导体制造设备、印刷电路板IC组装设备、医疗设备、机器手臂、精密量测仪器、办公室自动化设备、其它小型直线滑动装置
以下为相关尺寸对照。