静音式重负荷型滚珠直线导轨QH系列安装方法
.png)
● 金属刮板
可隔离高温铁屑或加工火花,并排除大体积杂质。

摩擦力
此阻力值为单片刮油片之最大阻力。
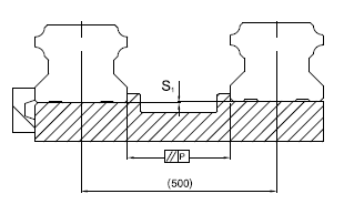
安装平面误差

QH系列为圆弧两点接触式直线导轨,其自动调心的
特性可以吸收安装面的些许误差而不影响直线运动
的顺畅性;下表中注明了安装平面的容许误差值:
直线导轨维护注意事项
1. 直线导轨的标准产品在出货前已将良质的润滑剂(润滑油或锂皂基油脂)封入滑块内,在装用并试运转之后、于正式运转之前,请再次对滑块进行润滑作业,润滑时请使用相同锂皂基的润滑剂。

2. 直线导轨的标准产品在出货前,导轨表层四周已涂布防锈油;安装时,若有清洗导轨的动作,请于机台设备完装时,再次将导轨表面四周涂布一层适当的润滑油(请使用兼容之润滑剂)。
3. 因为直线导轨的滑块系由许多塑料材质零件组成,清洁时请避免以有机溶剂接触或浸泡这些零件,以免造成产品损坏。
4. 异物进入滑块内是造成滑块故障与损坏的原因之一,应注意予以避免。

5. 任意拆解直线导轨的零配件有可能造成异物进入滑块或降低直线导轨的精度,请勿任意拆解直线导轨。
6. 不当的倾斜直线导轨可能造成滑块因自重而滑出导轨,请在移动直线导轨时保持直线导轨为水平状态。
7. 直线导轨摔落或撞击会损伤正常功能,请避免让直线导轨产生不当的摔落或撞击。
8. 使用于特殊环境,请使用适当的表面处理或与HIWIN联络。
9. 自润式直线导轨(E2 type)可容许的环境温度范围为-10℃~60℃;静音式直线导轨(Q1 type)可容许的环境温度范围为-10℃~80℃;而金属端盖式直线导轨(SE type)可容许的最高环境温度为150℃。除此之外,一般直线导轨可容许的最高环境温度为100℃。