静音式低组装型直线导轨QE系列安装注意事项太受阻力
规格刮油片阻力 N(kgf)
QE15 1.08(0.11)
QE20 1.37(0.14)
QE25 1.67(0.17)
QE30 2.06(0.21)
QE35 2.26(0.23)

摩擦力
此阻力值为单片刮油片之最大阻力。

安装平面误差
QE直线导轨系列为圆弧两点接触式直线导轨,其自动调心的特性可以吸收安装面的些许误差而不影响直线运动的顺
畅性;下表中注明了安装平面的容许误差值:

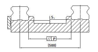
安装注意事项
(1) 安装面肩部高度及倒角

安装直线导轨时必须注意安装面肩部的状况是否适当,如倒角过大,凸出的地方易造成直线导轨精度不良,而高
度过高则会干涉滑块。故如果能依照建议要求安装面肩部,安装精度不良即可排除。

导轨装配螺丝之扭力值安装导轨时是否锁紧贴平基准面影响直线导轨精度甚剧,因此为达到每颗螺丝都能锁紧的目的,建议使用下列扭力值锁装配螺丝。