当我们从厂家那里购买
直线导轨回来时,我们应该如何安装呢?现在我们用静音式直线导轨QW系列产品来做样板去介绍摩擦力及安装方式:
1、我们平时所说的直线导轨的摩擦力,也就是阻力,此阻力值为单片刮油片之最大阻力。

2、安装平面误差,直线导轨QW系列为圆弧两点接触式直线导轨,其自动调心的特性可以吸收安装面的些许误差而不影响直线运动的顺畅性;下表中注明了安装平面的容许误差值:
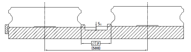
3、安装注意事项, 我们在超导轨的时候,要注意安装面肩部高度及倒角,安装直线导轨时必须注意安装面肩部的状况是否适当,如倒角过大,凸出的地方易造成直线导轨精度不良,而高度过高则会干涉滑块。故如果能依照建议要求安装面肩部,安装精度不良即可排除。下表为QW静音安装面肩部高度及倒角相关参数。

只要注意以下几点,对QW系列
直线导轨安装及阻力就了解很多,在使用过程中就不会出现太多的问题!